|
SUITBLE FOR
|
| STEAM |
WATER |
OIL |
AIR |
|
|
|
|
|
|
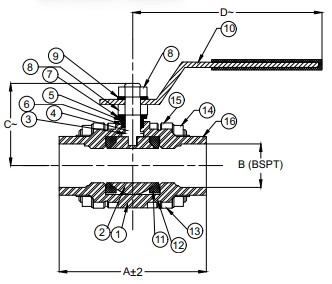
Cast Steel Y Type Strainer
Salient Features
-
Design Standard Is 14846 PN 1.0
-
Bolted Bonnet, inside Screw, Non-Rising Stem.
-
Rigid And Sturdy Design.
-
HandWheel Operated.
-
Flange Ends As Per is 1538.
Technical Data
-
Design & manufactureing Std.:Ansi B16.34 / API 00
-
Testing & Inspection Std:API 598
-
Face to Face:AS PER ANSI B 16.10
-
END Connection:ANSI B16.5
|
MATERIAL LIST
|
| P.NO |
Name Of Part |
Material of Constuction |
Specifications |
Qty. |
| 1 |
Body |
Cast Iron |
IS 210 GR.200 |
1 |
| 2 |
Sear Ring |
Broze |
IS 318 GR.LTBA |
4 |
| 3 |
Wedge |
Cast Iron |
IS 210 GR.200 |
1 |
| 4 |
Stem |
Broze |
IS 318 GR.LTBA |
1 |
| 5 |
Gasket |
Rubber |
IS 318 GR.TYPE B |
1 |
| 6 |
Bonnet |
Cast Iron |
IS 210 GR.12 CR.12 |
1 |
| 7 |
Stem |
stanless Steel |
IS 6603 GR.12 CR.12 |
1 |
| 8 |
Gasket |
Rubber |
IS 318 GR.TYPE B |
1 |
| 9 |
Stuffing Box |
Cast Iron |
IS 210 GR.12 CR.200 |
1 |
| 10 |
Gtand Packing |
Hemp & Jute |
IS 5414 |
1 |
| 11 |
Gland Flange |
Cast Iron |
IS 210 GR.200 |
1 |
| 12 |
HandWheel |
Cast Iron |
IS 210 GR.200 |
4 |
| 13 |
Washer |
Carbon |
--- |
1 |
| 14 |
Bolt |
Carbon |
IS 1363 PART ! CLASS 4.6 |
1 |
| 15 |
Bolt & Nut |
Carbon |
IS 1363 PART ! CLASS 4.6 |
AS REQD. |
| 16 |
Stud & Bolt |
Carbon |
IS 1363 PART ! CLASS 4.6 |
2 |
| 17 |
Nut |
Carbon |
IS 1363 PART ! CLASS 4.6 |
AS REQD. |
|
SIZE / DIMENSIONS
|
| Size(mm) |
A+1.5 |
B |
OC |
OD+5.0 |
E(MAX.) |
| 40 |
|
|
|
|
|
| 50 |
178+2 |
16+2 |
165(+1 5/-1.0) |
225 |
365 |
| 65 |
190+2 |
16+2 |
185(+1 5/-1.0) |
225 |
380 |
| 80 |
203+2 |
21 |
200+4.5 |
225 |
425 |
| 100 |
229+2 |
22+3 |
220+4.5 |
320 |
470 |
| 125 |
254+2 |
22.5+3 |
250+4.5 |
320 |
485 |
| 150 |
267+2 |
23+3 |
285(+5.5/2.5) |
320 |
595 |
| 200 |
292+2 |
24.5+3 |
340(+5.5/2.5) |
360 |
725 |
| 250 |
330+2 |
26+3 |
3985(+5.5/2.5) |
400 |
835 |
| 300 |
356+2 |
27.5+3 |
445(+5.5/-2.5) |
400 |
910 |
| 350 |
381+2 |
29+3 |
505(+6.5/-3.0) |
500 |
1020 |
| 400 |
406+2 |
30+3 |
565(+6.5/-3.0) |
640 |
1110 |
| 450 |
432+2 |
31.5+3 |
615(+6.5/-3.0) |
720 |
1200 |
| 500 |
|
|
|
|
|
| 600 |
508+2 |
36+3 |
720(+6.5/-3.0) |
720 |
1500 |
The information provided here serves as guidelines only and is subject to possible modification.